门禁系统智能视频监控电路设计
发布时间:2018-04-08
来源:宇视通科技 浏览次数:211
本文主要介绍了基于FPGA的视频监控主机系统硬件设计中的多路视频采集电路、USB接口电路、串口转换及通信电路等电路的设计,单片机和FPGA的并行使用可以使数据传输更加协调,提高系统可靠性。该硬件系统能够实现视频信息的存储及传输,报警信息自动存储,USB信息拷贝,允许多路同时报警及远距离控制云台等功能,使得监控控制系统工作效率有了进一步的提高。
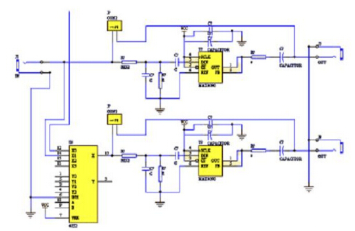
视频信号选择电路的设计
系统外部前端设备摄像机录入各个门禁场所视频,通过视频传输线路传到主机控制系统的视频信号选择电路视频信号。选择电路具有四路视频输入、四路视频输出,一个公共视频端输出。一方面视频信号经过MAX4090进行阻抗匹配后从四路视频输出,供管理人员查看门禁的现场活动情况,同时在公共视频端不仅可以输出一路视频,而且可以通过视频处理板对视频信息进行存储并通过网络传输视频信息;输出的视频信号通过FPGA的控制转换为可视信号并存储到PC 中,同时FPGA可以不断检测视频警报信号量来触发报警信号。

如图2所示为只有1路输入,1路输出并带有一路公共视频的电路图作为视频选择电路系统的讲解示意,J1为视频信号输入端,J5,J9为视频信号输出端.CON2为短路跳线对相应的通道进行连通与断开。当CON2断开时,相应的通道连通,视频信号从左边输入,经过匹配后从右边输出;当CON2连通 时,则视频信号输入后不能经过匹配处理而直接输出。然后利MAX4090用进行阻抗匹配进行多路视频的选择输出。该电路使用了交流耦合输出方式。从技术特征出发,将视频信号输出到媒体显示设备的最普遍方法是交流耦合,这使得接收电路可以在自己的输入端建立共模电平,该电平独立于输入视频信号的直流电平。一 个75欧的串联电阻应该尽可能近地放在靠近输出端的位置,这有助于隔离从输出端产生的下行寄生干扰,并提供最佳的信号条件。
USB接口电路的设计
为了方便的使用USB摄像头及USB的数据下载通道,系统总需要设计USB接口电路。

USB电路如图3所示,USB功能采用常见的CH375芯片作为USB借口控制芯片。CH375是一个USB总线的通用借口芯片,支持USB- HOST主机方式和USB-DEVICE/SLAVE设备方式。 在本地端,CH375具有8位数据总线和读、写、片选控制线以及中断输出,可以方便地挂接到单片机/DSP/MCU/MPU等控制器的系统总线上。在 USB主机方式下,CH375 还提供了串行通讯方式,通过串行输入、串行输出和中断输出与单片机/DSP/MCU/MPU等相连接。CH375有串口和并口两种与单片机的连接方式,在本系统中,CH375 芯片是通过并行方式连接到副控制芯片的,CH375的 TXD引脚通过1千欧左右的下拉电阻接地或者直接接地,从而使CH375工作于并口方式。这种并行连接方式极大的提高了数据的传输速率。
FPGA的EPROM及单片机存储电路设计
系统中使用了AT24C512EEPROM器件作为主要存储芯片,它的存储容量为512K及单片机对AT24C51系列E2PROM的读写操作 完全遵守12C总线的主收从发和主发从收的规则。数据的传送由四部分组成:起始(START)条件、从机地址的发送、数据的传送和停止(STOP)条件。 每一个时钟高电平中期间传送一位数据,而且在SCL线为高电平时SDA线上的数据必须保持稳定,否则将认为是一个控制信号。这样设计的优点体现在其简单性 和有效性上。

如图4所示电路,一般A0、A1、WP接VCC或GND,SCL、SDA接上拉电阻(上拉电阻的阻值可参考有关数据手册选择,通常可选5K到 10K的电阻,本设计中选用的电阻阻值为10K)后再接单片机的普通I/O口,即可实现单片机对AT24C512的操作。在对AT24C512开始操作 前,需要先发一个8位的地址字来选择芯片以进行读写。其中要注意“10100”为AT24C512固定的前5位二进制;A0、A1 用于对多个AT24C512加以区分;R/W为读写操作位,为1时表示读操作,为0时表示写操作。AT24C512内部有512页,每一页为128字节,任一单元的地址为16位,地址范围为0000—0FFFFH。虽然FPGA芯片和单片机都有EEPROM读写的功能,但并不是说它们拥有各自独立的EEPROM 芯片,而是两片单片机共同复用EEPROM芯片。如果两个芯片同时读写EEPROM芯片,则单片机肯定会产生死机现象,因此需要一个严格的机制保证不会出 现两片单片机同时读或者写EPROM芯片的现象。该机制称为EPROM复用关系,即采用一个握手信号协调两者的使用。

在视频选择电路中采用了交流耦合技术,这样设计有利于保持高清晰视频信号的传输。同时利用FPGA作为中央控制部分的,采用了并行的两块单片机 做为副控芯片,一块用于USB接口的数据控制与传输,另外一块用于其它接口操作和外部存储控制,既了协调视频信号的实时监控与传输,又能够保证FPGA的 处理不受到外部电路的影响,大大提高了系统的工作效率。
声明:本网站发布的内容(图片、视频和文字)以原创、转载和分享网络内容为主,如果涉及侵权请尽快告知,我们将会在第一时间删除。文章观点不代表本网站立场,如需处理请联系客服。电话:186-5415-1131。
本站全力支持关于《中华人民共和国广告法》实施的“极限化违禁词”的相关规定,且已竭力规避使用“违禁词”。故即日起凡本网站任意页面含有极限化“违禁词”介绍的文字或图片,一律非本网站主观意愿并即刻失效,不可用于客户任何行为的参考依据。凡访客访问本网站,均表示认同此条款!反馈邮箱:57274323@qq.com。
上一条:指纹识别门禁系统的设计全解
下一条:港区安防门禁一卡通设计应用分析






